Building Summary

Data last updated on: 4/1/2026     Ownership current as of: 3/27/2026     Tax Year: 2026
REID 121821

PIN # 0810-57-0190

Location Address Property Description
3608 UNIVERSITY DR PROP-ROBARGE PL:000137-000008
   
Property Owner Owner's Mailing Address
3608 UNIVERSITY DRIVE LLC
3606 UNIVERSITY DR
DURHAM NC 27707
Parcel
Buildings
Misc Improvements
Land
Income
Deeds
Notes
Sales
Photos
Map
Building Location Address
3608 UNIVERSITY DR
Card   of  1        Section   of  1
Building Details

Building Name OFFICE
Primary Occupancy Type COMMERCIAL
Primary Occupancy 59R-OFFICE-RSF
Primary Class R
Primary Quality B
Year Built 1998
Effective Year 1998
Physical Depreciation (Rating) CGR-CDU PERCENTAGE
Physical Depreciation (% Bad) 27.00%
Economic Depreciation (% Bad) 0%
Functional Depreciation (% Bad) 0%
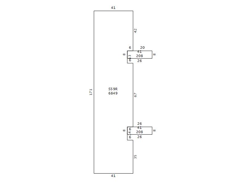
Gross Leasable Area (SQFT) 13698
Remodeled Year
Total Stories

Section Details

Occupancy Type COMMERCIAL


Class R
Depreciation 27%
Depreciation CGR-CDU PERCENTAGE
Heat 15-HEAT-&-AC-COM
Occupancy 59R-OFFICE-RSF
Quality B
Exterior Walls N/A-EXT-WALL
Building Total & Improvement Details

Total Adjusted Replacement Cost New $2,358,954
Physical Depreciation (% Bad) 27.00%
Depreciated Value $1,722,037
Economic Depreciation (% Bad) 0%
Functional Depreciation (% Bad) 0%
Total Depreciated Value $1,722,037
Market Area Factor 1.00
Building Value $1,722,037
Misc Improvements Value $17,011
Total Improvement Value $1,739,048

Assessed Land Value $860,000
   
Assessed Total Value $2,297,748


Addition Summary 
StoryTypeCodeArea
1.00 Canopy Commercial 41 208
1.00 Canopy Commercial 41 208
 
Other Improvements 
UnitsDescriptionItemCodeYear% BadValue
16010 SIZE Asphalt Paving 1998 75 17011
 


Building Sketch
Photograph
Building Sketch Building Photo
(Click sketch for bigger image)




Copyright © 2022 Durham County, North Carolina.