Building Summary

Data last updated on: 3/31/2026     Ownership current as of: 3/26/2026     Tax Year: 2026
REID 139448

PIN # 0800-93-4668

Location Address Property Description
4600 2 UNIVERSITY DR PROP-SPRINGFIELD APT PROP ERTIES LLC DBA/SPRINGFIE PL:000107-000090
   
Property Owner Owner's Mailing Address
RG SPRINGFIELD OWNER LLC
4600 EAST WEST HIGHWAY STE 610
BETHESDA MD 20814
Parcel
Buildings
Misc Improvements
Land
Income
Deeds
Notes
Sales
Photos
Map
Building Location Address
4600 UNIVERSITY DR
Card   of  18        Section   of  1
Building Details

Building Name APARTMENT GARDEN MASONRY
Primary Occupancy Type COMMERCIAL
Primary Occupancy 01M-APT-GARDEN-MASON
Primary Class H1M
Primary Quality B
Year Built 1986
Effective Year 1986
Physical Depreciation (Rating) CGW-CDU PERCENTAGE
Physical Depreciation (% Bad) 39.00%
Economic Depreciation (% Bad) 0%
Functional Depreciation (% Bad) 0%
Gross Leasable Area (SQFT) 12230
Remodeled Year
Total Stories

Section Details

Occupancy Type COMMERCIAL


Class H1M
Depreciation CGW-CDU PERCENTAGE
Depreciation 39%
Heat 15-HEAT-&-AC-COM
Occupancy 01M-APT-GARDEN-MASON
Quality B
Exterior Walls N/A-EXT-WALL
Building Total & Improvement Details

Total Adjusted Replacement Cost New $4,219,052
Physical Depreciation (% Bad) 39.00%
Depreciated Value $2,573,622
Economic Depreciation (% Bad) 0%
Functional Depreciation (% Bad) 0%
Total Depreciated Value $2,573,622
Market Area Factor 1.00
Building Value $2,573,622
Misc Improvements Value
Total Improvement Value $2,573,622

Assessed Land Value $11,520,000
   
Assessed Total Value $43,233,637


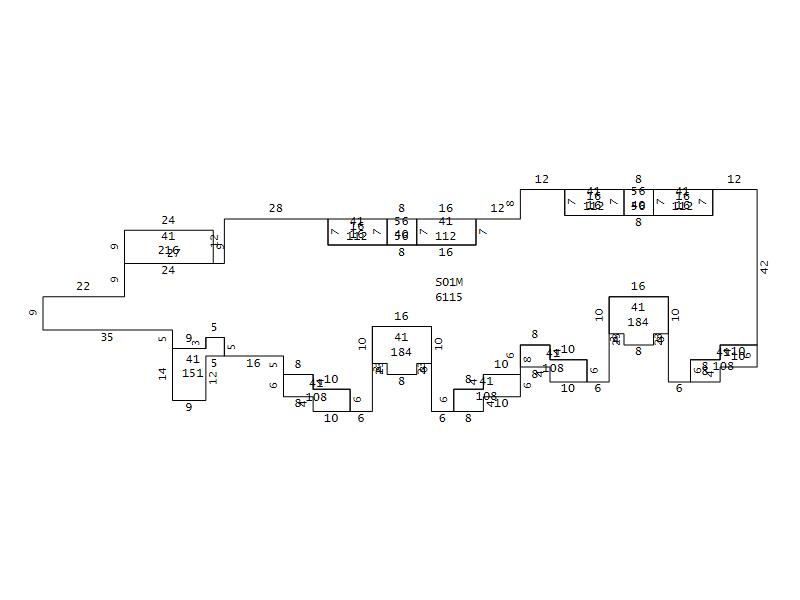
Addition Summary 
StoryTypeCodeArea
2.00 Canopy Commercial 41 151
2.00 Commercial Storage 56 56
2.00 Commercial Storage 56 56
2.00 Canopy Commercial 41 216
2.00 Canopy Commercial 41 108
2.00 Canopy Commercial 41 184
2.00 Canopy Commercial 41 108
2.00 Canopy Commercial 41 112
2.00 Canopy Commercial 41 112
2.00 Canopy Commercial 41 108
2.00 Canopy Commercial 41 184
2.00 Canopy Commercial 41 108
2.00 Canopy Commercial 41 112
2.00 Canopy Commercial 41 112
 
Other Improvements 
 


Building Sketch
Photograph
Building Sketch Photo is unavailable for this parcel.
(Click sketch for bigger image)




Copyright © 2022 Durham County, North Carolina.